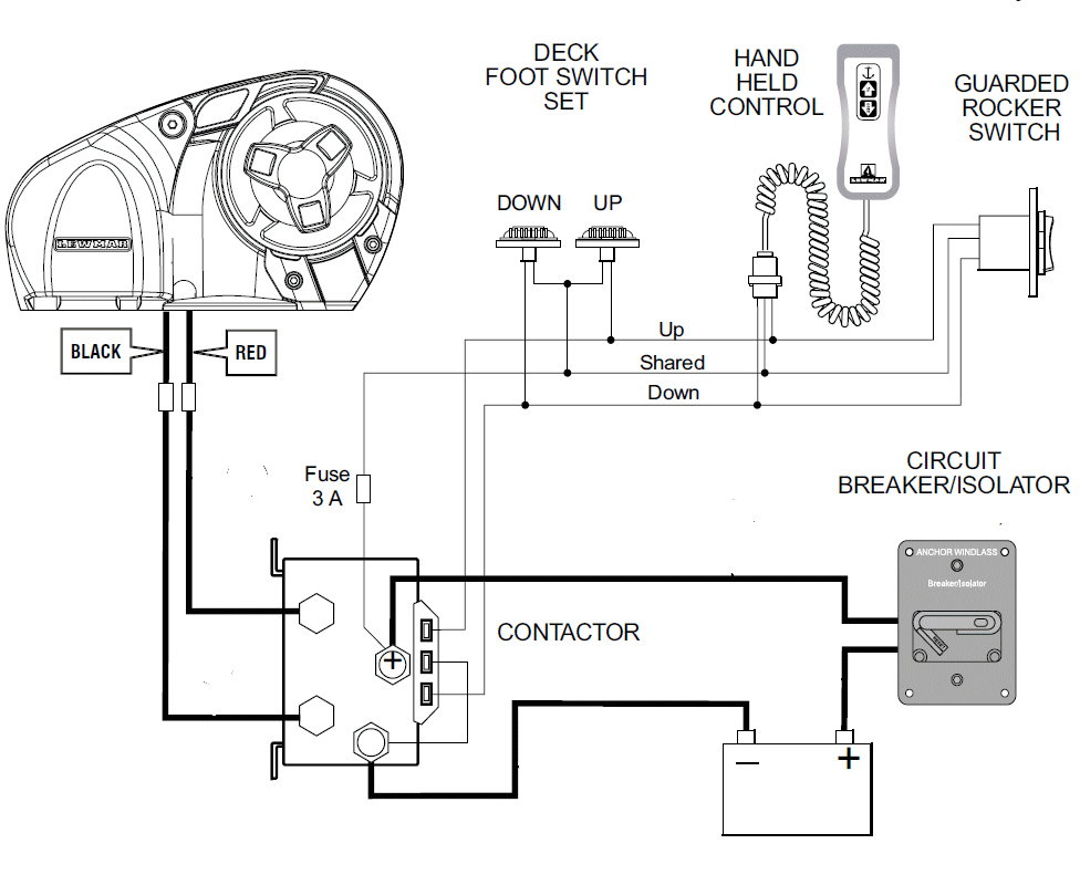
Schematics, Diagrams and Manuals
Power distribution schematic Control panel connection block Lewmar windlass schematic Beta engine operators manual (Internet)